
手作業で行っていたワークの水切りを自動化
しかも
エアーブローで100%水滴除去
瞬時に完全乾燥 【簡易型 洗浄乾燥機】
瞬時に完全乾燥 【簡易型 洗浄乾燥機】
エアースクリューノズル搭載
特許取得
人力によるエアーブロー作業の
自動化と効率化を同時に実現
業務効率化や生産性向上が求められる中、洗浄後のワークの水切りは、多くの企業が未だに手作業で一つ一つエアーブローを行っているのが現状です。今後ますます労働力が不足していく中、作業効率の向上は喫緊の課題です。
その課題を当洗浄乾燥機が解決します。洗浄後のワークを当機に投入するだけで、自動で水切り・乾燥を行います。しかも、作業人数はワークを投入・回収する人が一人いれば十分。
これまで多くの時間と人員を割いてきた水切り・乾燥工程の自動化を効率化を同時に実現し、生産性向上に大きく貢献します。
自動化と効率化を同時に実現

しかもエアーブローだけで
100%水切り=完全乾燥
100%水切り=完全乾燥

びしょ濡れにしたワークが…


一瞬で完全乾燥!

深い窪みに溜まった水も…


完璧に掻き出し完全乾燥!

エアーブローが届きづらい管形でも…


1滴残らず完全乾燥!
複雑形状ワークも瞬時に100%水切り

深い凹凸や窪み・溝

複雑に入り組んだ構造

空洞の多い管型形状
独自の回転波動によるエアーブローが水をザグって掻き出し切ります。(特許取得) 【デモ動画】
びしょ濡れのワークがエアーブローだけで完全乾燥しています
<乾燥工程が一切不要に>
当機に搭載している『エアースクリューノズル』のエアーブローにより、ワークを投入するだけで付着した水滴を100%除去することができます。つまり、エアーブローだけで完全乾燥するため、その後の乾燥工程が一切不要になります。
これにより、乾燥工程に割いていた時間や人員、電気代等の諸経費、そして設備自体が不要になり、大幅なコスト削減と生産性向上が可能となります。
従来の工程


当機の導入で得られる
5つのメリット
5つのメリット
1.作業工数削減
手作業によるエアーブロー作業を自動化。水切りの工数削減が図れます。
手作業によるエアーブロー作業を自動化。水切りの工数削減が図れます。

2.作業効率向上
次々とワークを投入できるため、手作業と比べて水切り効率が格段に向上します。
次々とワークを投入できるため、手作業と比べて水切り効率が格段に向上します。

3.生産性向上
エアーブローで100%水が切れるので、乾燥工程要らずでラインの生産性が向上します。
エアーブローで100%水が切れるので、乾燥工程要らずでラインの生産性が向上します。

4.コスト削減
乾燥設備が不要となり、稼働費・メンテナンス費等のコストを大幅に削減できます。
乾燥設備が不要となり、稼働費・メンテナンス費等のコストを大幅に削減できます。

5.人手不足解消
当機は一人で作業可能なため、社内の人的配置を最適化できます。
当機は一人で作業可能なため、社内の人的配置を最適化できます。


簡易型 洗浄乾燥機の
3つの特長
3つの特長
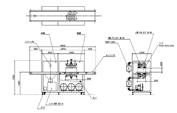
1.大型機並みの処理能力
当機に投入したワークは瞬時に水切り・完全乾燥するため、次々とワークを投入することができ、人力によるエアーブロー作業の何倍もの水切り処理が可能です。また、モジュール化によって増設や入れ替えが容易に行えるため、ワークのサイズや希望処理量によって臨機応変に仕様変更・カスタマイズが可能です。

2.場所を取らない省スペース設計
水切り・完全乾燥をノンストップで自動処理できる機能を持ちながら、全長は3〜3.5mと非常にコンパクト。また、温風乾燥を必要としないため、フットスペースも大幅に削減することができ、これまで乾燥機等で占有していたスペースを有効活用できるようになります。

3.省エネによる大幅なコスト削減を実現
当機を導入することで乾燥工程が丸々不要になるため、乾燥機等の設備自体が不要になります。それに伴い、メンテナンス等のランニングコストや電気料金等も不要になり、大幅なコスト削減に繋がります。また、今現在コンプレッサー式のエアーブロー装置をご使用の場合、当機の導入を機にブロワー式に変更することで、大幅に省エネすることができます。


国内外問わず業界大手企業をはじめ多数の納入実績がございます。
洗浄機械、精密機器、産業用電子機器、通信機器、メッキ、自動車、工業材料/素材、食品・薬品製造、鉄鋼/非鉄金属、民生用電子機器、その他機械、他
<納入事例>
ミネベアミツミ社@タイ工場に納入した洗浄乾燥機(全体写真)※簡易型ではなく大型の特注品

ローダー側

アンローダー側
エアーブローだけで完全に乾燥するので、その後の乾燥は一切不要。水切りの効率化と自動化が同時に実現します。全長も約3.5mとコンパクトで場所を取りません。

簡易型 洗浄乾燥機(実機)
※乾燥部に「エアースクリューノズル」を搭載。
※乾燥部に「エアースクリューノズル」を搭載。

洗浄乾燥機 内側

洗浄乾燥機 内側
※『エアースクリューノズル』単体での販売も承っております。

『エアースクリューノズル』(単体)

通常はノズルを4連で使用します



