
エアーブローで水が切れずにお困りの企業ご担当者のあなたへ
従来のエアーブローでは不可能だった
100%完全な水切りが
独自の特許技術で実現
100%完全な水切りが
独自の特許技術で実現
エアースクリューノズル
【特許取得 第6749741号】
エアーブローで
100%水切り=完全乾燥
従来のエアーノズルではワークを完全に水切りするのは不可能であり、100%水切り=完全乾燥
別途、乾燥室等で長時間乾燥させる必要があります。
「なかなか水が切れず効率が悪い」
「乾燥に時間がかかり生産性が低い」
「乾燥工程に掛かる経費がバカにならない」
これらはすべて「水が切れない」ことが引き起こしている問題です。 ところが、当社のエアーノズルは独自の特許技術により100%完全な水切りを実現。
エアーブロー"だけ"でワークが瞬時に完全乾燥するので、その後の乾燥工程は一切不要に。
生産現場における生産性と業務効率が格段に向上します。

びしょ濡れにしたワークが…


一瞬で完全乾燥!

深い窪みに溜まった水も…


完璧に掻き出し完全乾燥!

エアーブローが届きづらい管形でも…


1滴残らず完全乾燥!
<乾燥工程が一切不要に>
従来は完全乾燥させるには別途乾燥工程が必要でしたが、当エアーノズルはエアーブローで100%の水切りで完全乾燥するため、乾燥工程が一切不要になります。つまり、乾燥工程に割いていた時間や人員、電気代等の諸経費、そして設備自体が不要になり大幅なコスト削減と生産性向上が可能となります。 従来のエアーノズル


なぜなら、1mm以下の水滴は表面張力の働きにより、吹き飛ばずに移動するだけだからです。 肝心なのは風の強さではなく「質」。
当エアーノズルは回転波動でノズル内でエアを加工し、カットエアーを発します。
このカットエアーが回転しながら強力にワークに当たるため、通常のエアーノズルの何倍もの破壊力が得られます。
この回転波動によるカットエアーこそが、瞬時に完全乾燥を実現するのです。

ノズルが回転し、カットエアーを噴出
(回転数:約700RPM)

凹部に残留する水を
回転波動で掻き出す
従来のエアーノズル

ストレートノズルでエアー噴射すると噴射された水は上方向に飛び散るため、一部はそのまま落下し水が残ります。

ストレートノズルでエアー噴射すると噴射された水は上方向に飛び散るため、一部はそのまま落下し水が残ります。
エアースクリューノズル

当エアーノズルでエアー噴射すると噴射された水は外方向に飛び散るため、水が無くなり完全に乾きます。

当エアーノズルでエアー噴射すると噴射された水は外方向に飛び散るため、水が無くなり完全に乾きます。
びしょ濡れのワークがエアーブローだけで完全乾燥しています
エアースクリューノズル導入で得られる
5つのメリット
5つのメリット
1.乾燥設備不要
エアーブローだけで水切りが完結。乾燥室等での乾燥工程は一切不要
エアーブローだけで水切りが完結。乾燥室等での乾燥工程は一切不要

2.ワーク運搬不要
乾燥不要だから何往復もの面倒なワーク運搬から解放
乾燥不要だから何往復もの面倒なワーク運搬から解放

3.コスト削減
乾燥設備の稼働費、メンテナンス費、人件費等のコストを大幅に削減
乾燥設備の稼働費、メンテナンス費、人件費等のコストを大幅に削減

4.人材不足解消
乾燥工程に従事していた人員が不要に。人材配置を最適化
乾燥工程に従事していた人員が不要に。人材配置を最適化

5.生産性向上
乾燥に掛けていた時間が大幅に圧縮。業務効率UPで生産性向上に寄与
乾燥に掛けていた時間が大幅に圧縮。業務効率UPで生産性向上に寄与

複雑形状ワークも瞬時に100%水切り

深い凹凸や窪み・溝

複雑に入り組んだ構造

空洞の多い管型形状
特許取得の独自のエアーブローが水をザグって掻き出し切ります。 【デモ動画】
複雑形状のワークが瞬時に完全乾燥します
エアースクリューノズルの
3つの特徴
1.回転波動によるカットエアー3つの特徴
独自技術によりノズル内でエアを加工。回転するカットエアー噴射で瞬時な完全乾燥を可能にします。
2.複雑形状をしたワークでも瞬時に完全水切り
水が残留しがちな溝や窪み、凹凸が多いワークにこそ効果を発揮。回転波動によるカットエアーが水をザグって掻き出し切ります。
3.幅広い業界業種のワークに対応
当エアーノズルは幅広い業界・業種に導入可能。 クリーンルームにも対応しており、半導体にも使用できます。(クラス100対応)
【使用事例】

トレイや通い箱に

高い凹凸のワークに

複雑形状のワークに

段重ねの大量処理に

半導体や精密機器に

クリーンルームに
国内外問わず業界大手企業をはじめ多数の納入実績がございます。
洗浄機械、精密機器、産業用電子機器、通信機器、メッキ、自動車、工業材料/素材、食品・薬品製造、鉄鋼/非鉄金属、民生用電子機器、その他機械、他
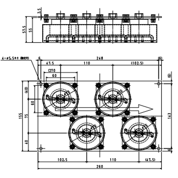
【製品詳細】
<エアースクリューノズル>独通常はノズルを4連にし、上下に装着して使用します

ノズル単体

4連式

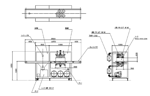
乾燥部に「エアースクリューノズル」を搭載。
洗浄から完全乾燥までノンストップで完了、自動化を実現。
大型機並みの処理能力で生産性向上に貢献。
全長も約3.5mとコンパクトで場所を取りません。

簡易型 洗浄乾燥機(実機)

洗浄乾燥機 内側
【基本仕様】
<エアースクリューノズル>



